应用背景
1 全球变暖,雷暴天气增多。
2 网络设备容易被雷击损坏,危害极大。
3 网络设备被雷击损坏后维护成本高
4 高浪涌保护能力的网络设备成为行业趋势
方案说明及注意事项
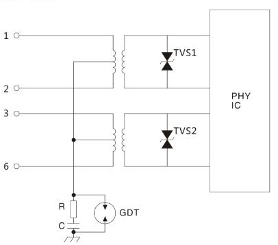
1 本方案采用GDT在变压器前端做共模(八线)浪涌保护。
2 低结电容TVS去除变压器后端的差模能量,同时TVS用于静电保护,反应时间快
3 符合 802.11 电气标准。
4满足IEC61000-4-5、GBT17626.5等浪涌测试标准。
5 满足IEC61000-4-2、GBT17626.2等静态测试标准。
应用
1 工业/家用电脑/笔记本电脑
2 交换机/路由器
3 网络打印机
4 机顶盒
5 智能交通系统
6 其他带以太网口的电子设备
PulseTake 保护装置
GDT: PSA201N: 200V±30%, 0.5KA, < 0.5pF, 1GΩ。
GDT:PTC151N:150V±20%,2.0KA,0.8pF,1GΩ。
TVS1/TVS2/TVS3/TVS4:PT3C031L:Vb:4.0V,Vrwm:3.0V,1.2pF,SOD-323